溝付きナット(キャッスルナット)
製品詳細
「溝付きナット」とは、割りピンを使ってナットを緩み止めする構造を持つ特殊ナットのことです。
外観の凹凸が「城(Castle)」のように見えることから、キャッスルナットとも呼ばれています。
溝付きナットの用途

ボルトの側面に開けた貫通穴と、「溝付きナット」の溝へ割りピンを差し込むことで、ナットの脱落を防止ぎます。
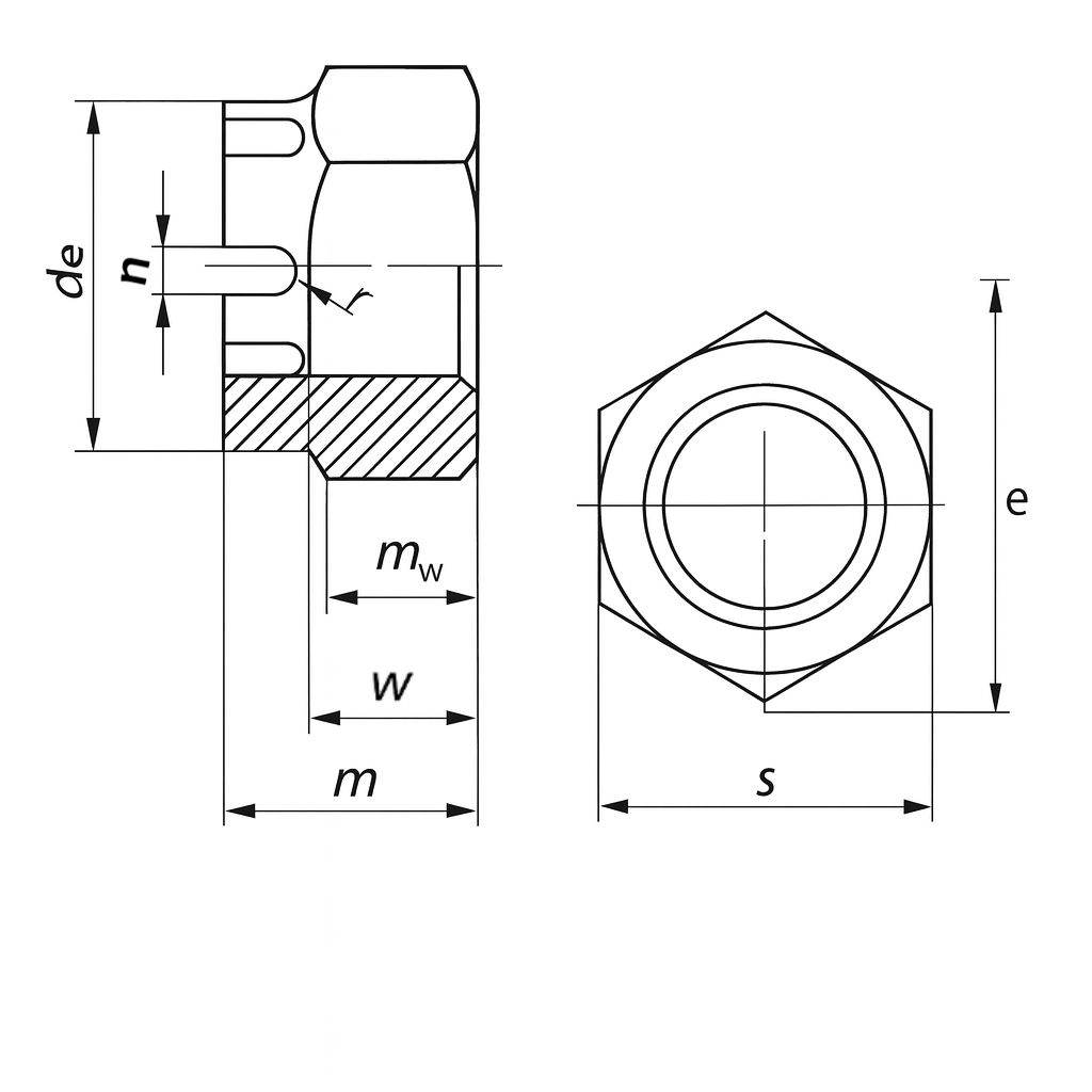
溝付きナット 規格表

| 項目 | M4 | M5 | M6 | M7 | M8 | M10 | M12 | M14 | M16 | M18 | M20 | M22 | M24 | M27 | M30 | M33 | M36 | M39 | M42 | M45 | M48 | M52 | M56 | M60 | M64 | M68 | M72 | M76 | M80 | M85 | M90 | M100 |
|---|---|---|---|---|---|---|---|---|---|---|---|---|---|---|---|---|---|---|---|---|---|---|---|---|---|---|---|---|---|---|---|---|
| de | – | – | – | – | – | – | 16 | 18 | 22 | 25 | 28 | 32 | 34 | 38 | 42 | 46 | 50 | 55 | 58 | 62 | 65 | 70 | 75 | 80 | 85 | 90 | 95 | 100 | 105 | 110 | 120 | 130 |
| n | 1.45 | 1.65 | 2.25 | 2.25 | 2.75 | 3.05 | 3.8 | 3.8 | 4.8 | 4.8 | 4.8 | 5.8 | 5.8 | 5.8 | 7.36 | 7.36 | 7.36 | 7.36 | 9.36 | 9.36 | 9.36 | 9.36 | 9.36 | 11.43 | 11.43 | 11.43 | 11.43 | 11.43 | 11.43 | 14.43 | 14.43 | 14.43 |
| mw | 2.3 | 3 | 3.8 | 4.2 | 4.9 | 6.1 | 7.7 | 8.2 | 9.8 | 11.2 | 11.9 | 13.5 | 14.2 | 16.6 | 18.2 | 19.8 | 21.9 | 23.5 | 25.9 | 27.5 | 29.1 | 32.3 | 34.7 | 37.1 | 39.3 | 41.7 | 44.9 | 47.3 | 49.7 | 52.9 | 56.1 | 62.5 |
| w | 3.2 | 4 | 5 | 5.5 | 6.5 | 8 | 10 | 11 | 13 | 15 | 16 | 18 | 19 | 22 | 24 | 26 | 29 | 31 | 34 | 36 | 38 | 42 | 45 | 48 | 51 | 54 | 58 | 61 | 64 | 68 | 72 | 80 |
| m | 5 | 6 | 7.5 | 8 | 9.5 | 12 | 15 | 16 | 19 | 21 | 22 | 26 | 27 | 30 | 33 | 35 | 38 | 40 | 46 | 48 | 50 | 54 | 57 | 63 | 66 | 69 | 73 | 76 | 79 | 88 | 92 | 100 |
| s | 7 | 8 | 10 | 11 | 13 | 16 | 18 | 21 | 24 | 27 | 30 | 34 | 36 | 41 | 46 | 50 | 55 | 60 | 65 | 70 | 75 | 80 | 85 | 90 | 95 | 100 | 105 | 110 | 115 | 120 | 130 | 145 |
| e | 7.66 | 8.79 | 11.05 | 12.12 | 14.38 | 17.77 | 20.03 | 23.35 | 26.75 | 29.56 | 32.95 | 37.29 | 39.55 | 45.2 | 50.85 | 55.37 | 60.79 | 66.44 | 71.3 | 76.95 | 82.6 | 88.25 | 93.56 | 99.21 | 104.86 | 110.51 | 116.16 | 121.81 | 127.46 | 133.11 | 144.08 | 161.02 |
溝付きナットの販売事例
【海外のサプライヤーから溝付きナットを直接購入していたお客様】

外観不良や寸法のバラツキなどのトラブルが頻発したため、「安定した品質で調達できるルートを再検討したい」とのことで、当社にご相談をいただきました。
溝付きナットの製造方法には鍛造と切削があり、ナット外径部などの外観に違いが出ます。
本件はこれまで切削加工品だっため、同一条件でのご提案によって外観差を抑え、高い寸法精度と美しい仕上がりを実現しました。
納品後も「見た目が非常にきれいで、ねじの精度も安定している」と高く評価いただき、現在は継続して当社にご依頼いただいています。
溝付きナットに関するQ&A
一般的なナット(六角ナット)との違いは何ですか?
一般の六角ナットは単体で締め付けるだけですが、キャッスルナットは「割ピン」と「穴付きボルト(スリットボルト)」と組み合わせて使う点が大きな違いです。
この組み合わせで機械的にロックされるため、より高いゆるみ止め効果が得られます。
キャッスルナットを取り付けるときの注意点は?
割ピンを確実に曲げて固定し、ピンが緩まないようにすることが重要です。
また、ボルトの穴位置とナットの溝が合うように締め付けトルクを微調整します。
過度なトルクで締めるとボルトが損傷する場合もあります。
スプリングワッシャーやナイロンナットと比べてどうですか?
キャッスルナットは「完全な機械的ロック」が可能で、ナイロンナットなどの「摩擦によるゆるみ止め」とは原理が異なります。
高温や振動が多い環境では、ナイロンナットよりも信頼性が高い場合があります。
アジアプランニングにお任せください!
・価格比較や見積もりをすぐにご提示できるほか、OEMや試作品、小ロット製造依頼にも柔軟に対応いたします
・中国や台湾を中心に世界各地のサプライヤーと連携しており、幅広い供給体制が強みです
・複雑な規格・特殊仕様にも対応し、材料証明書(ミルシート)や各種検査証、証明書の提出も可能です
・自社に検査体制を備えており、当社の品質管理部門も自信をもってお薦めする製品です
・長期供給や代替品のご相談もお任せください
・溝付きナットの卸・海外調達・輸入代行をご検討中の加工業者様や製造業者様は、ぜひアジアプランニングへお問い合わせください!